1、测量精度高,可实现毫米级位移检测
2、一体化设计,稳定性高,干扰能力强,适合长期连续观测
3、安装维护简便,无需复杂校准,支持多点分布式布设
4、工业级防护,IP68防护等级,适应长期在恶劣的环境下稳定运行
▋ 产品介绍
BOY-GC05 磁致伸缩静力水准仪是一种基于磁致伸缩原理的高精度液位测量设备,专为桥梁、大坝、地铁等大型工程的结构沉降与形变监测设计。其毫米级精度、抗干扰性强、长期稳定性等特点,使其成为工业与基建领域结构健康监测的首选工具
▋ 工作机制
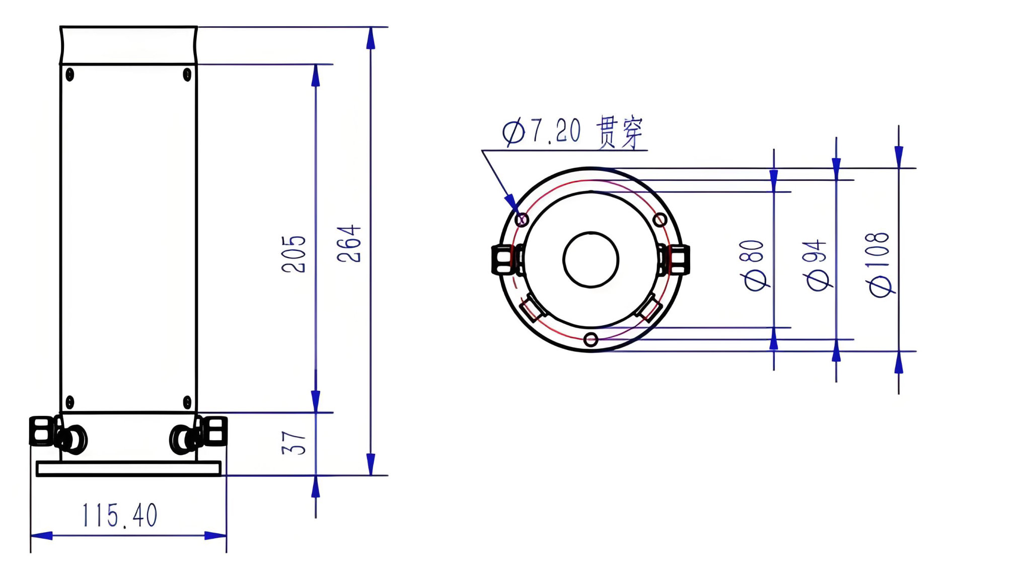
▋ 产品尺寸
▋ 主要功能
功能 | 描述 |
多点监测 | 多点分布式沉降同步监测 |
高精度测量 | 毫米级高精度位移测量 |
数据传输 | 实时数据采集与远程传输(支持4G/LoRa ) |
自动预警 | 超限自动报警与预警推送 |
温度补偿 | 温度漂移自动补偿 |
数据存储 | 内置大容量数据存储卡 |
多协议兼容 | 兼容多种工业协议(Modbus、RS485) |
低功耗工作 | 支持低功耗休眠工作模式 |
▋ 产品特点
BOY-GC05 磁致伸缩静力水准仪 罐体采用亚克力材料制成,液位可视,方便灌液。防腐蚀设计,防护等级IP68,能适应各种恶劣的工作环境。同类产品优化紧凑型设计方案,打破环境局限,满足更多种监测环境。独特的一体化设计,设备的整体调试,减少多组件造成的设备误差。内置4G/LoRa双模通信模块,支持实时数据远程传输与超限预警,兼容Modbus/RS485工业协议,可快速接入智慧监测平台。测量元件和测量介质非接触,传感器工作可靠,寿命长。量程可定制,满足不同应用场景的使用需求。
|
|
|
非接触测量 | 一体化结构 | 直观显示 |
无磨损,寿命长 | 减少误差,安装调试便利 | 亚克力罐体,液位可视 |
|
|
|
波束角小 | IP68防护等级 | 高精度 |
多点分布式监测,降低成本 | 耐腐蚀,环境适应性强 | 毫米级测量精度 |
▋ 产品参数
设备参数 | |
测量范围 | 100mm/200mm可选 |
测量精度 | 0.1%F.S |
工作功耗 | 约为0.54W |
休眠功耗 | 约为0.03W |
电气连接 | 防水五芯航空接头 |
输出信号 | 数字信号RS485 |
通讯协议 | modbus协议 |
波特率 | 支持波特率范围2400~115200 |
工作电压 | DC 9-36V |
工作温度 | -20℃~60℃ |
工作湿度 | 5%-95% |
温度补偿 | -35℃~60℃ |
主体材质 | 上下盖铝合金,罐体亚克力 |
防护等级 | IP68 |
安装方式 | L型支架辅助安装 |
▋ 应用场景
BOY-GC05 磁致伸缩静力水准仪系统是应用在大型储罐、大坝、高层建筑、基坑、隧道、桥梁、地铁等垂直位移的监测。能实时针对沉降和倾斜状况进行相应预警处理,为监测中心提供沉降数据和监测服务。
▋ 工作原理
BOY-GC05 磁致伸缩静力水准仪利用连通器的原理,多个连通管连接在一起的液罐,其液面总是在同一水平面上,当某个点出现沉降时,各点设备的液面高度会发生改变,通过各监测点液位高度的变化可以计算出各静力水准仪的相对沉降。其液体的高度是通过磁致伸缩传感器测量,根据电子仓发射器与浮球的距离得出液位的高度。
▋ 常见问题
Q1:仪器测量范围是多少?
标准量程0-100mm,支持定制扩展至200mm。
Q2:是否需要定期校准?
建议每年校准1次,内置自校准功能可延长周期。
Q3:能否在强振动环境中使用?
能,内置阻尼设计。
Q4:如何保证防水性能?
采用双层密封圈与纳米涂层工艺,IP68级防护。
Q5:是否兼容第三方软件平台?
支持API对接,适配LabVIEW、SCADA等系统。
Q6:安装时需要哪些注意事项?
需避开强磁场源,确保测量管垂直度误差<1°。
Q7:单台设备可支持多少监测点?
标准版支持8通道,最大可扩展至32通道。
Q8:质保期多久?
整机质保1年,终身提供技术支持。