BOY-GC06 超声波静力水准仪

BOY-GC06 超声波静力水准仪

高精度 高防护 安装简便 易维护
产品特点:

1、测量精度高,可实现毫米级位移沉降监测

2、工业级设计,耐高低温,适用恶劣环境

3、安装简单便捷,易维护

4、IP68防护等级,适应长期在恶劣的环境下稳定运行

廖经理:18900270730
免费产品资料、报价索取、技术咨询

▋     产品介绍 

        BOY-GC06 超声波静力水准仪是一款专为工程结构变形监测设计的智能传感设备,采用高精度超声波传感器直接测量出容器内液位,通过基准点与观测点液位的变化量,计算得出沉降量。  可实时测量毫米级微变形,具备IP68防护等级与防爆认证,适应-20℃至70℃、高湿、强腐蚀、粉尘等恶劣环境。整个系统由由多个静力水准仪及安装支架、液管、气管、采集箱等组成。通过4G/LoRa无线传输与云端平台无缝对接,为岩土、大坝、桥梁、隧道、矿山等场景提供长期高频次监测的多点间的垂直位移监测解决方案。
 
 
 


▋ 工作机制


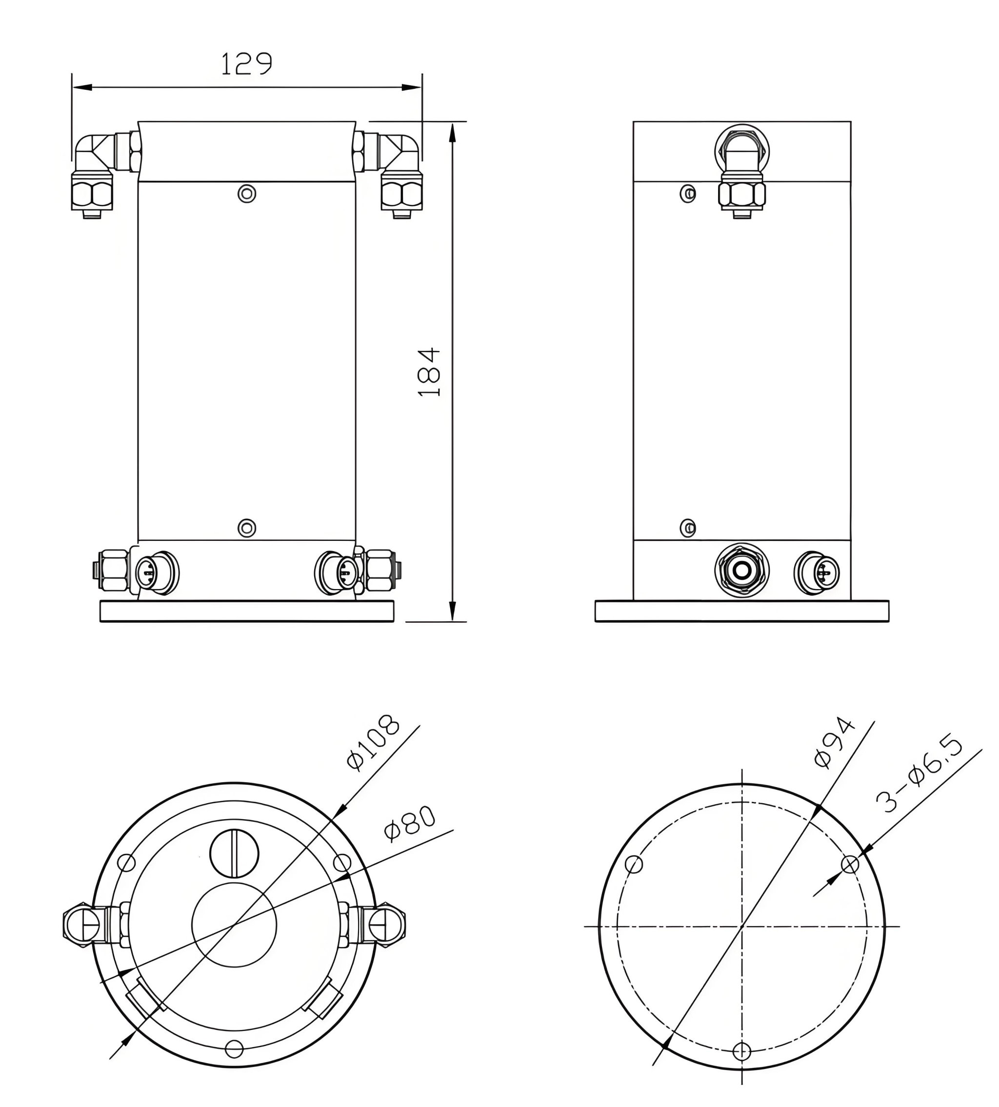
▋ 产品尺寸


▋ 主要功能


功能

描述

灵活监测

水平/垂直多向安装适配

高精度测量

毫米级高精度测量(分辨率0.1mm)

数据传输

实时数据采集与远程传输(支持4G/LoRa )

数据可视化

云端数据可视化与自动报表

温度补偿

温度漂移自动补偿与抗干扰算法

数据存储

内置大容量数据存储卡

多协议兼容

兼容多种工业协议(Modbus、RS485)

低功耗工作

支持低功耗休眠工作模式



▋ 产品特点

        BOY-GC06 超声波静力水准仪 杯体采用亚克力材料制成,液位可视,方便灌液,兼顾轻量化与抗冲击性能,可在暴雨、渗水、油气环境中长期稳定工作;防水五芯屏蔽线缆,具有抗干扰、抗腐蚀等特性,使得整个系统数据环境误差大程度减小;采用自主创新的高精度超声波传感器,精度高达0.1mm;内置倾角传感器,能更好地判断安装后的设备状态;无浮子设计,数据长期稳定;同时配有圆点水平仪,便于设备安装调平时,判断设备的水平状态。模块化设计支持快速部署与扩展,显著降低地铁、水库、边坡等场景的监测运维成本。  

ycyc

gwdx

zgzs

远程数据遥测

稳定性高

直观显示

4G/GPRS通信功能可实现野外远距离通信,无需人工观测

无浮子设计,数据长期稳定

透明亚克力罐体,液位可视 

dhjyy

5

61

模块化设计

IP68防护等级

高精度

设备高度低于20侧面,安装不受环境限制

耐腐蚀,环境适应性强 

0.1毫米测量精度


▋ 产品参数 

设备参数

测量介质 

防冻液 

测量范围  

50mm/100mm(默认)/200mm,可定制 

测量精度 

0.1mm

最小采集时间  

1s 

上电启动时间  

10s 

工作功耗  

0.6W 

电气连接  

防水五芯航空接头 

输出信号  

数字信号RS485 

通讯协议  

modbus协议 

波特率  

支持波特率范围2400~115200 

工作电压  

DC 9-36V 

绝缘电阻  

≥100MΩ

工作温度  

-20℃~60℃ 

工作湿度  

5%-95% 

温度补偿  

-20℃~70℃ 

主体材质  

铝合金底座,亚克力杯体 

防护等级  

IP68 

安装方式  

L型支架辅助安装


▋ 应用场景

        BOY-GC06 超声波静力水准仪 系统是应用在大型储罐、大坝、高层建筑、基坑、隧道、桥梁、地铁等垂直位移的监测。能实时针对沉降和倾斜状况进行相应预警处理,为监测中心提供沉降数据和监测服务。   

▋ 工作原理

        BOY-GC06 超声波静力水准仪 利用连通器的原理,多个连通管连接在一起的液罐,其液面总是在同一水平面上,当某个点出现沉降时,各点设备的液面高度会发生改变,通过各监测点液位高度的变化可以计算出各静力水准仪的相对沉降与差异沉降。其液体的高度是通过超声波传感器测量,根据激励发射出发超声波与反射回来的时间差和声速得出液位的高度。



▋ 常见问题

        Q1:超声波测量受温度影响吗 ?‌ 

        内置温度补偿模块,自动修正-20℃~70℃范围内的声速误差 。 ‌

        Q2:防水等级是否支持水下安装?‌ 

        IP68防护可承受1.5米水深浸泡,但长期水下需定制密封方案 。 ‌

        Q3:能否与第三方平台对接?‌

        支持Modbus/HTTP/MQTT协议,兼容90%以上工业软件 。 ‌ ‌

        Q4:电池续航时间多长? 

        默认5年(1次/分钟采样),支持太阳能供电扩展。

        Q5:极端粉尘环境是否影响精度? 

        超声波频率可穿透粉尘,算法自动过滤颗粒物干扰 。 ‌

        Q6:质保期多久?‌ 

        整机质保1年,终身提供技术支持。


推荐
推荐
推荐
推荐
推荐

为 您 推 荐

欢迎咨询了解更多城市安全智能感知设备与服务 

在线客服